
|
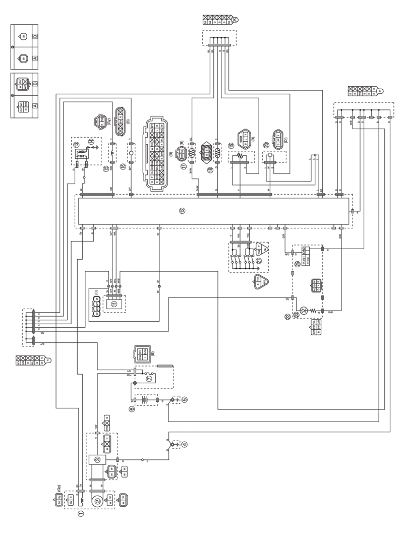
1. |
Crankshaft position sensor |
|
2. |
AC magneto |
|
3. |
Rectifier/regulator |
|
4. |
Engine ground |
|
5. |
Frame ground |
|
6. |
Battery |
|
7. |
Fuse |
|
11. |
CCU (Communication Control Unit) |
|
12. |
ECU (Engine Control Unit) |
|
13. |
Ignition coil |
|
14. |
Spark plug |
|
15. |
Fuel injector |
|
16. |
Fuel pump |
|
17. |
Intake air temperature sensor |
|
18. |
Coolant temperature sensor |
|
19. |
Throttle position sensor |
|
20. |
Intake air pressure sensor |
|
21. |
Gear position switch |
|
22. |
Handlebar switch (left) |
|
23. |
Indicator light |
|
25. |
Engine stop switch |
|
A. |
Wire harness |
|
B. |
CCU sub-lead |
This model uses the Yamaha diagnostic tool to identify malfunctions.
For information about using the Yamaha diagnostic tool, refer to the operation manual that is included with the tool.
|
1.Disconnect the CCU sub-lead coupler “1”.

2.Connect the Yamaha diagnostic tool.
|

|
1. |
ECU (Engine Control Unit) |
|
2. |
Lead battery (12 V) |
|
3. |
Vehicle battery |
|
4. |
Vehicle |
|
5. |
CCU sub-lead coupler |
|
6. |
Sub-harness (included with the Yamaha diagnostic tool) |
|
7. |
Vehicle communication cable (included with the Yamaha diagnostic tool) |
|
8. |
Yamaha diagnostic tool |
This section describes the measures per fault code number displayed on the Yamaha diagnostic tool. Check and service the items or components that are the probable cause of the malfunction following the order given.
After the check and service of the malfunctioning part have been completed, delete the fault codes displayed on the Yamaha diagnostic tool according to the reinstatement method.
Fault code No.:
Fault code number displayed on the Yamaha diagnostic tool when the engine failed to work normally.
Diagnostic code No.:
Diagnostic code number to be used when the diagnostic mode is operated. Refer to DIAGNOSTIC CODE: SENSOR OPERATION TABLE.
Parts connected to the ECU
The following parts are connected to the ECU.
When checking for a power short circuit, the couplers must be disconnected from all of the following parts beforehand.
|
|
|
|
|
|
|
Fault code No. 8
|
Fault code No. |
8 |
|||||
|---|---|---|---|---|---|---|
|
Item |
Gear position switch: open or short circuit detected. |
|||||
|
Fail-safe system |
Able to start engine |
|||||
|
Able to drive vehicle |
||||||
|
Diagnostic code No. |
25 |
|||||
|
Diagnostic tool display |
Displays the gear position.
|
|||||
|
Procedure |
— |
|||||
|
Item |
Probable cause of malfunction and check |
Maintenance job |
Confirmation of service completion |
|||
|
1 |
Connection of gear position switch coupler. Check the locking condition of the coupler. Disconnect the coupler, and check the pins (for bent or broken terminals and locking condition of the pins). |
Improperly connected → Connect the coupler securely, or repair/replace the wire harness. |
Start switch to ON (no need to start the engine), change the gear position from neutral position to 1st → 2nd → … → 5th position. (When doing so, be sure to hold each position for 10 seconds or more.) And then check the condition of the fault code using the malfunction mode of the Yamaha diagnostic tool. Condition is “Recovered”→ Go to item 7 and finish the service. Condition is “Detected”→ Go to item 2. |
|||
|
2 |
Connection of wire harness ECU coupler. Check the locking condition of the coupler. Disconnect the coupler, and check the pins (for bent or broken terminals and locking condition of the pins). |
Improperly connected → Connect the coupler securely, or repair/replace the wire harness. |
Start switch to ON (no need to start the engine), change the gear position from neutral position to 1st → 2nd → … → 5th position. (When doing so, be sure to hold each position for 10 seconds or more.) And then check the condition of the fault code using the malfunction mode of the Yamaha diagnostic tool. Condition is “Recovered”→ Go to item 7 and finish the service. Condition is “Detected”→ Go to item 3. |
|||
|
3 |
Wire harness continuity. |
Open or short circuit → Replace the wire harness. Between gear position switch coupler and ECU coupler. pink–pink white/blue–white/blue yellow/green–yellow/green |
Start switch to ON (no need to start the engine), change the gear position from neutral position to 1st → 2nd → … → 5th position. (When doing so, be sure to hold each position for 10 seconds or more.) And then check the condition of the fault code using the malfunction mode of the Yamaha diagnostic tool. Condition is “Recovered”→ Go to item 7 and finish the service. Condition is “Detected”→ Go to item 4. |
|||
|
4 |
Mounted condition of gear position switch. Check for looseness or pinching. |
Improperly mounted switch → Remount or replace the switch. Refer to ENGINE REMOVAL. |
Start switch to ON (no need to start the engine), change the gear position from neutral position to 1st → 2nd → … → 5th position. (When doing so, be sure to hold each position for 10 seconds or more.) And then check the condition of the fault code using the malfunction mode of the Yamaha diagnostic tool. Condition is “Recovered”→ Go to item 7 and finish the service. Condition is “Detected”→ Go to item 5. |
|||
|
5 |
Defective gear position switch. |
Execute the diagnostic mode. (Code No. 25) The values are indicated according to the gear position. Gear in neutral: N Gear in 1st or 2nd: 1 Gear in other than 1st or 2nd: 3 Abnormal display → Gear position switch is defective → Replace the gear position switch. |
Start switch to ON (no need to start the engine), change the gear position from neutral position to 1st → 2nd → … → 5th position. (When doing so, be sure to hold each position for 10 seconds or more.) And then check the condition of the fault code using the malfunction mode of the Yamaha diagnostic tool. Condition is “Recovered”→ Go to item 7 and finish the service. Condition is “Detected”→ Go to item 6. |
|||
|
6 |
Faulty ECU. |
Replace the ECU. |
Service is finished. |
|||
|
7 |
Delete the fault code. |
Confirm that the fault code has a condition of “Recovered” using the Yamaha diagnostic tool, and then delete the fault code. |
|
|||
Fault code No. 12
|
Fault code No. |
12 |
|||||
|---|---|---|---|---|---|---|
|
Item |
Crankshaft position sensor: no normal signals are received from the crankshaft position sensor. |
|||||
|
Fail-safe system |
Unable to start engine |
|||||
|
Unable to drive vehicle |
||||||
|
Diagnostic code No. |
— |
|||||
|
Diagnostic tool display |
— |
|||||
|
Procedure |
— |
|||||
|
Item |
Probable cause of malfunction and check |
Maintenance job |
Confirmation of service completion |
|||
|
1 |
Connection of crankshaft position sensor coupler. Check the locking condition of the coupler. Disconnect the coupler, and check the pins (for bent or broken terminals and locking condition of the pins). |
Improperly connected → Connect the coupler securely, or repair/replace the wire harness. |
Crank the engine 2 seconds or more, and then check the condition of the fault code using the malfunction mode of the Yamaha diagnostic tool. Condition is “Recovered”→ Go to item 7 and finish the service. Condition is “Detected”→ Go to item 2. |
|||
|
2 |
Connection of wire harness ECU coupler. Check the locking condition of the coupler. Disconnect the coupler, and check the pins (for bent or broken terminals and locking condition of the pins). |
Improperly connected → Connect the coupler securely, or repair/replace the wire harness. |
Crank the engine 2 seconds or more, and then check the condition of the fault code using the malfunction mode of the Yamaha diagnostic tool. Condition is “Recovered”→ Go to item 7 and finish the service. Condition is “Detected”→ Go to item 3. |
|||
|
3 |
Wire harness continuity. |
Open or short circuit → Replace the wire harness. Between crankshaft position sensor coupler and ECU coupler. gray–gray Between crankshaft position sensor coupler and joint connector. black/blue–black/blue Between joint connector and ECU coupler. black/blue–black/blue |
Crank the engine 2 seconds or more, and then check the condition of the fault code using the malfunction mode of the Yamaha diagnostic tool. Condition is “Recovered”→ Go to item 7 and finish the service. Condition is “Detected”→ Go to item 4. |
|||
|
4 |
Mounted condition of crankshaft position sensor. Check for looseness or pinching. Check the gap (0.85 mm (0.0335 in)) between the crankshaft position sensor and the pickup rotor. |
Improperly mounted sensor → Remount or replace the sensor. Refer to GENERATOR. |
Crank the engine 2 seconds or more, and then check the condition of the fault code using the malfunction mode of the Yamaha diagnostic tool. Condition is “Recovered”→ Go to item 7 and finish the service. Condition is “Detected”→ Go to item 5. |
|||
|
5 |
Defective crankshaft position sensor. |
Check the crankshaft position sensor. Refer to CHECKING THE CRANKSHAFT POSITION SENSOR. |
Crank the engine 2 seconds or more, and then check the condition of the fault code using the malfunction mode of the Yamaha diagnostic tool. Condition is “Recovered”→ Go to item 7 and finish the service. Condition is “Detected”→ Go to item 6. |
|||
|
6 |
Faulty ECU. |
Replace the ECU. |
Service is finished. |
|||
|
7 |
Delete the fault code. |
Confirm that the fault code has a condition of “Recovered” using the Yamaha diagnostic tool, and then delete the fault code. |
|
|||
Fault code No. 13
|
|
Fault code No. |
13 |
|||||
|---|---|---|---|---|---|---|
|
Item |
Intake air pressure sensor: open or short circuit detected. |
|||||
|
Fail-safe system |
Able to start engine |
|||||
|
Able to drive vehicle |
||||||
|
Diagnostic code No. |
03 |
|||||
|
Diagnostic tool display |
Displays the intake air pressure. |
|||||
|
Procedure |
The atmospheric pressure is displayed on the Yamaha diagnostic tool. |
|||||
|
Item |
Probable cause of malfunction and check |
Maintenance job |
Confirmation of service completion |
|||
|
1 |
Connection of intake air pressure sensor coupler. Check the locking condition of the coupler. Disconnect the coupler, and check the pins (for bent or broken terminals and locking condition of the pins). |
Improperly connected → Connect the coupler securely, or repair/replace the wire harness. |
Start switch to ON (no need to start the engine), and then check the condition of the fault code using the malfunction mode of the Yamaha diagnostic tool. Condition is “Recovered”→ Go to item 7 and finish the service. Condition is “Detected”→ Go to item 2. |
|||
|
2 |
Connection of wire harness ECU coupler. Check the locking condition of the coupler. Disconnect the coupler, and check the pins (for bent or broken terminals and locking condition of the pins). |
Improperly connected → Connect the coupler securely, or repair/replace the wire harness. |
Start switch to ON (no need to start the engine), and then check the condition of the fault code using the malfunction mode of the Yamaha diagnostic tool. Condition is “Recovered”→ Go to item 7 and finish the service. Condition is “Detected”→ Go to item 3. |
|||
|
3 |
Wire harness continuity. |
Open or short circuit → Replace the wire harness. Between intake air pressure sensor coupler and ECU coupler. white–white blue–blue Between intake air pressure sensor coupler and joint connector. black–black Between joint connector and ECU coupler. black/blue–black/blue |
Start switch to ON (no need to start the engine), and then check the condition of the fault code using the malfunction mode of the Yamaha diagnostic tool. Condition is “Recovered”→ Go to item 7 and finish the service. Condition is “Detected”→ Go to item 4. |
|||
|
4 |
Mounted condition of intake air pressure sensor. Check for looseness or pinching. Check the mounted position for correctness. |
Improperly mounted sensor → Remount or replace the sensor. |
Start switch to ON (no need to start the engine), and then check the condition of the fault code using the malfunction mode of the Yamaha diagnostic tool. Condition is “Recovered”→ Go to item 7 and finish the service. Condition is “Detected”→ Go to item 5. |
|||
|
5 |
Defective intake air pressure sensor. |
Execute the diagnostic mode. (Code No. 03) Proper display: Atmospheric pressure at the current altitude and weather conditions is indicated while engine stopping. 0 m above sea level: About 101 kPa (about 3.63 V) 1000 m above sea level: About 90 kPa (about 3.30 V) 2000 m above sea level: About 80 kPa (about 3.00 V) 3000 m above sea level: About 70 kPa (about 2.70 V) Abnormal display → Intake air pressure sensor is defective → Replace the intake air pressure sensor. |
Start switch to ON (no need to start the engine), and then check the condition of the fault code using the malfunction mode of the Yamaha diagnostic tool. Condition is “Recovered”→ Go to item 7 and finish the service. Condition is “Detected”→ Go to item 6. |
|||
|
6 |
Faulty ECU. |
Replace the ECU. |
Service is finished. |
|||
|
7 |
Delete the fault code. |
Confirm that the fault code has a condition of “Recovered” using the Yamaha diagnostic tool, and then delete the fault code. |
|
|||
Fault code No. 14
|
|
Fault code No. |
14 |
|||||
|---|---|---|---|---|---|---|
|
Item |
Intake air pressure sensor: hose system malfunction (clogged or detached hose). |
|||||
|
Fail-safe system |
Able to start engine |
|||||
|
Able to drive vehicle |
||||||
|
Diagnostic code No. |
03 |
|||||
|
Diagnostic tool display |
Displays the intake air pressure. |
|||||
|
Procedure |
The atmospheric pressure is displayed on the Yamaha diagnostic tool. |
|||||
|
Item |
Probable cause of malfunction and check |
Maintenance job |
Confirmation of service completion |
|||
|
1 |
The intake air pressure sensor hose is damaged, disconnected, clogged, twisted or bent. |
Repair or replace the sensor hose. |
Start the engine and let it idle for approximately 5 seconds (fully close the throttle valve). Check the condition of the fault code using the malfunction mode of the Yamaha diagnostic tool. Condition is “Recovered”→ Go to item 3 and finish the service. Condition is “Detected”→ Go to item 2. |
|||
|
2 |
Defective intake air pressure sensor. |
Execute the diagnostic mode. (Code No. 03) Proper display: Atmospheric pressure at the current altitude and weather conditions is indicated while engine stopping. 0 m above sea level: About 101 kPa (about 3.63 V) 1000 m above sea level: About 90 kPa (about 3.30 V) 2000 m above sea level: About 80 kPa (about 3.00 V) 3000 m above sea level: About 70 kPa (about 2.70 V) Value does not change during cranking → Intake air pressure sensor replacement. |
Start the engine and let it idle for approximately 5 seconds (fully close the throttle valve). Check the condition of the fault code using the malfunction mode of the Yamaha diagnostic tool. Condition is “Recovered”→ Go to item 3 and finish the service. |
|||
|
3 |
Delete the fault code. |
Confirm that the fault code has a condition of “Recovered” using the Yamaha diagnostic tool, and then delete the fault code. |
|
|||
Fault code No. 15
|
|
Fault code No. |
15 |
||||||
|---|---|---|---|---|---|---|---|
|
Item |
Throttle position sensor: open or short circuit detected. |
||||||
|
Fail-safe system |
Able to start engine |
||||||
|
Able to drive vehicle |
|||||||
|
Diagnostic code No. |
01 |
||||||
|
Diagnostic tool display |
Displays the throttle angle.
|
||||||
|
Procedure |
|
||||||
|
Item |
Probable cause of malfunction and check |
Maintenance job |
Confirmation of service completion |
||||
|
1 |
Connection of throttle position sensor coupler. Check the locking condition of the coupler. Disconnect the coupler, and check the pins (for bent or broken terminals and locking condition of the pins). |
Improperly connected → Connect the coupler securely, or repair/replace the wire harness. |
Start switch to ON (no need to start the engine), and then check the condition of the fault code using the malfunction mode of the Yamaha diagnostic tool. Condition is “Recovered”→ Go to item 8 and finish the service. Condition is “Detected”→ Go to item 2. |
||||
|
2 |
Connection of wire harness ECU coupler. Check the locking condition of the coupler. Disconnect the coupler, and check the pins (for bent or broken terminals and locking condition of the pins). |
Improperly connected → Connect the coupler securely, or repair/replace the wire harness. |
Start switch to ON (no need to start the engine), and then check the condition of the fault code using the malfunction mode of the Yamaha diagnostic tool. Condition is “Recovered”→ Go to item 8 and finish the service. Condition is “Detected”→ Go to item 3. |
||||
|
3 |
Wire harness continuity. |
Open or short circuit → Replace the wire harness. Between throttle position sensor coupler and ECU coupler. yellow–yellow blue–blue Between throttle position sensor coupler and joint connector. black–black Between joint connector and ECU coupler. black/blue–black/blue |
Start switch to ON (no need to start the engine), and then check the condition of the fault code using the malfunction mode of the Yamaha diagnostic tool. Condition is “Recovered”→ Go to item 8 and finish the service. Condition is “Detected”→ Go to item 4. |
||||
|
4 |
Mounted condition of throttle position sensor. Check for looseness or pinching. Check the mounted position for correctness. |
Improperly mounted sensor → Remount or replace the sensor. Refer to ADJUSTING THE THROTTLE POSITION SENSOR. |
Start switch to ON (no need to start the engine), and then check the condition of the fault code using the malfunction mode of the Yamaha diagnostic tool. Condition is “Recovered”→ Go to item 8 and finish the service. Condition is “Detected”→ Go to item 5. |
||||
|
5 |
Applied voltage of throttle position sensor lead. |
Check the applied voltage. (black–blue) |
Start switch to ON (no need to start the engine), and then check the condition of the fault code using the malfunction mode of the Yamaha diagnostic tool. Condition is “Recovered”→ Go to item 8 and finish the service. Condition is “Detected”→ Go to item 6. |
||||
|
Location of disconnected lead |
Output voltage |
||||||
|
Disconnected ground lead |
5 V |
||||||
|
Disconnected output lead |
0 V |
||||||
|
Disconnected power supply lead |
0 V |
||||||
|
6 |
Defective throttle position sensor. |
Execute the diagnostic mode. (Code No. 01) Correct display range: When the throttle is fully closed, 11–14 displays. When the throttle is fully opened, 86–92 displays. Incorrect display range → Replace the throttle position sensor, and then reset the ECU using the diagnostic code number “87”. Refer to DIAGNOSTIC CODE: SENSOR OPERATION TABLE. |
Start switch to ON (no need to start the engine), and then check the condition of the fault code using the malfunction mode of the Yamaha diagnostic tool. Condition is “Recovered”→ Go to item 8 and finish the service. Condition is “Detected”→ Go to item 7. |
||||
|
7 |
Faulty ECU. |
Replace the ECU. |
Service is finished. |
||||
|
8 |
Delete the fault code. |
Confirm that the fault code has a condition of “Recovered” using the Yamaha diagnostic tool, and then delete the fault code. |
|
||||
Fault code No. 16
|
|
Fault code No. |
16 |
||||||
|---|---|---|---|---|---|---|---|
|
Item |
Throttle position sensor: stuck throttle position sensor is detected. |
||||||
|
Fail-safe system |
Able to start engine |
||||||
|
Able to drive vehicle |
|||||||
|
Diagnostic code No. |
01 |
||||||
|
Diagnostic tool display |
Displays the throttle angle.
|
||||||
|
Procedure |
|
||||||
|
Item |
Probable cause of malfunction and check |
Maintenance job |
Confirmation of service completion |
||||
|
1 |
Mounted condition of throttle position sensor. Check for looseness or pinching. Check the mounted condition for correctness. |
Improperly mounted sensor → Remount or replace the sensor. Refer to ADJUSTING THE THROTTLE POSITION SENSOR. |
Start switch to ON (no need to start the engine), and open and close the throttle several times. Check the condition of the fault code using the malfunction mode of the Yamaha diagnostic tool. Condition is “Recovered”→ Go to item 4 and finish the service. Condition is “Detected”→ Go to item 2. |
||||
|
2 |
Defective throttle position sensor. |
Execute the diagnostic mode. (Code No. 01) Correct display range: When the throttle is fully closed, 11–14 displays. When the throttle is fully opened, 86–92 displays. Incorrect display range → Replace the throttle position sensor, and then reset the ECU using the diagnostic code number “87”. Refer to DIAGNOSTIC CODE: SENSOR OPERATION TABLE. |
Start switch to ON (no need to start the engine), and open and close the throttle several times. Check the condition of the fault code using the malfunction mode of the Yamaha diagnostic tool. Condition is “Recovered”→ Go to item 4 and finish the service. Condition is “Detected”→ Go to item 3. |
||||
|
3 |
Faulty ECU. |
Replace the ECU. |
Service is finished. |
||||
|
4 |
Delete the fault code. |
Confirm that the fault code has a condition of “Recovered” using the Yamaha diagnostic tool, and then delete the fault code. |
|
||||
Fault code No. 21
|
|
Fault code No. |
21 |
|||||
|---|---|---|---|---|---|---|
|
Item |
Coolant temperature sensor: open or short circuit detected. |
|||||
|
Fail-safe system |
Able to start engine |
|||||
|
Able to drive vehicle |
||||||
|
Diagnostic code No. |
06 |
|||||
|
Diagnostic tool display |
Displays the coolant temperature. |
|||||
|
Procedure |
Compare the actually measured coolant temperature with the Yamaha diagnostic tool display value. |
|||||
|
Item |
Probable cause of malfunction and check |
Maintenance job |
Confirmation of service completion |
|||
|
1 |
Connection of coolant temperature sensor coupler. Check the locking condition of the coupler. Disconnect the coupler, and check the pins (for bent or broken terminals and locking condition of the pins). |
Improperly connected → Connect the coupler securely, or repair/replace the wire harness. |
Start switch to ON (no need to start the engine), and then check the condition of the fault code using the malfunction mode of the Yamaha diagnostic tool. Condition is “Recovered”→ Go to item 7 and finish the service. Condition is “Detected”→ Go to item 2. |
|||
|
2 |
Connection of wire harness ECU coupler. Check the locking condition of the coupler. Disconnect the coupler, and check the pins (for bent or broken terminals and locking condition of the pins). |
Improperly connected → Connect the coupler securely, or repair/replace the wire harness. |
Start switch to ON (no need to start the engine), and then check the condition of the fault code using the malfunction mode of the Yamaha diagnostic tool. Condition is “Recovered”→ Go to item 7 and finish the service. Condition is “Detected”→ Go to item 3. |
|||
|
3 |
Wire harness continuity. |
Open or short circuit → Replace the wire harness. Between coolant temperature sensor coupler and ECU coupler. green–green Between coolant temperature sensor coupler and joint connector. black–black Between joint connector and ECU coupler. black/blue–black/blue |
Start switch to ON (no need to start the engine), and then check the condition of the fault code using the malfunction mode of the Yamaha diagnostic tool. Condition is “Recovered”→ Go to item 7 and finish the service. Condition is “Detected”→ Go to item 4. |
|||
|
4 |
Mounted condition of coolant temperature sensor. Check for looseness or pinching. Check the mounted position for correctness. |
Improperly mounted sensor → Remount or replace the sensor. |
Start switch to ON (no need to start the engine), and then check the condition of the fault code using the malfunction mode of the Yamaha diagnostic tool. Condition is “Recovered”→ Go to item 7 and finish the service. Condition is “Detected”→ Go to item 5. |
|||
|
5 |
Defective coolant temperature sensor. |
Execute the diagnostic mode. (Code No. 06) Proper display: When the machine is cold, displayed temperature is close to the ambient temperature. Improper display → Replace the coolant temperature sensor. Refer to RADIATOR. |
Start switch to ON (no need to start the engine), and then check the condition of the fault code using the malfunction mode of the Yamaha diagnostic tool. Condition is “Recovered”→ Go to item 7 and finish the service. Condition is “Detected”→ Go to item 6. |
|||
|
6 |
Faulty ECU. |
Replace the ECU. |
Service is finished. |
|||
|
7 |
Delete the fault code. |
Confirm that the fault code has a condition of “Recovered” using the Yamaha diagnostic tool, and then delete the fault code. |
|
|||
Fault code No. 22
|
|
Fault code No. |
22 |
|||||
|---|---|---|---|---|---|---|
|
Item |
Intake air temperature sensor: open or short circuit detected. |
|||||
|
Fail-safe system |
Able to start engine |
|||||
|
Able to drive vehicle |
||||||
|
Diagnostic code No. |
05 |
|||||
|
Diagnostic tool display |
Displays the intake air temperature. |
|||||
|
Procedure |
Compare the actually measured intake air temperature with the Yamaha diagnostic tool display value. |
|||||
|
Item |
Probable cause of malfunction and check |
Maintenance job |
Confirmation of service completion |
|||
|
1 |
Connection of intake air temperature sensor coupler. Check the locking condition of the coupler. Disconnect the coupler, and check the pins (for bent or broken terminals and locking condition of the pins). |
Improperly connected → Connect the coupler securely, or repair/replace the wire harness. |
Start switch to ON (no need to start the engine), and then check the condition of the fault code using the malfunction mode of the Yamaha diagnostic tool. Condition is “Recovered”→ Go to item 7 and finish the service. Condition is “Detected”→ Go to item 2. |
|||
|
2 |
Connection of wire harness ECU coupler. Check the locking condition of the coupler. Disconnect the coupler, and check the pins (for bent or broken terminals and locking condition of the pins). |
Improperly connected → Connect the coupler securely, or repair/replace the wire harness. |
Start switch to ON (no need to start the engine), and then check the condition of the fault code using the malfunction mode of the Yamaha diagnostic tool. Condition is “Recovered”→ Go to item 7 and finish the service. Condition is “Detected”→ Go to item 3. |
|||
|
3 |
Wire harness continuity. |
Open or short circuit → Replace the wire harness. Between intake air temperature sensor coupler and ECU coupler. brown/white–brown/white Between intake air temperature sensor coupler and joint connector. black/blue–black/blue Between joint connector and ECU coupler. black/blue–black/blue |
Start switch to ON (no need to start the engine), and then check the condition of the fault code using the malfunction mode of the Yamaha diagnostic tool. Condition is “Recovered”→ Go to item 7 and finish the service. Condition is “Detected”→ Go to item 4. |
|||
|
4 |
Mounted condition of intake air temperature sensor. Check for looseness or pinching. Check the mounted position for correctness. |
Improperly mounted sensor → Remount or replace the sensor. |
Start switch to ON (no need to start the engine), and then check the condition of the fault code using the malfunction mode of the Yamaha diagnostic tool. Condition is “Recovered”→ Go to item 7 and finish the service. Condition is “Detected”→ Go to item 5. |
|||
|
5 |
Defective intake air temperature sensor. |
Execute the diagnostic mode. (Code No. 05) Proper display: When the machine is cold, displayed temperature is close to the ambient temperature. Improper display → Replace the intake air temperature sensor. |
Start switch to ON (no need to start the engine), and then check the condition of the fault code using the malfunction mode of the Yamaha diagnostic tool. Condition is “Recovered”→ Go to item 7 and finish the service. Condition is “Detected”→ Go to item 6. |
|||
|
6 |
Faulty ECU. |
Replace the ECU. |
Service is finished. |
|||
|
7 |
Delete the fault code. |
Confirm that the fault code has a condition of “Recovered” using the Yamaha diagnostic tool, and then delete the fault code. |
|
|||
Fault code No. 30
|
|
Fault code No. |
30 |
|||||
|---|---|---|---|---|---|---|
|
Item |
The vehicle has overturned. |
|||||
|
Fail-safe system |
Unable to start engine |
|||||
|
Unable to drive vehicle |
||||||
|
Diagnostic code No. |
08 |
|||||
|
Diagnostic tool display |
Displays the lean angle sensor output voltage.
|
|||||
|
Procedure |
Remove the ECU, and incline it 45° or more. |
|||||
|
Item |
Probable cause of malfunction and check |
Maintenance job |
Confirmation of service completion |
|||
|
1 |
The vehicle has overturned. |
Raise the vehicle upright. |
Stand the vehicle upright, start switch to ON (no need to start the engine), wait 10 seconds, and then check the condition of the fault code using the malfunction mode of the Yamaha diagnostic tool. Condition is “Recovered”→ Go to item 4 and finish the service. Condition is “Detected”→ Go to item 2. |
|||
|
2 |
Mounted condition of ECU. Check for mounted position and angle. Check the mounted condition for correctness. |
Improperly mounted ECU → Remount the ECU. |
Stand the vehicle upright, start switch to ON (no need to start the engine), wait 10 seconds, and then check the condition of the fault code using the malfunction mode of the Yamaha diagnostic tool. Condition is “Recovered”→ Go to item 4 and finish the service. Condition is “Detected”→ Go to item 3. |
|||
|
3 |
Faulty ECU. |
Execute the diagnostic mode. (Code No. 08) Proper display: When the vehicle is upright: 0.4–1.4 (V) When the vehicle is overturned: 3.7–4.4 (V) Improper display → Replace the ECU. |
Service is finished. |
|||
|
4 |
Delete the fault code. |
Confirm that the fault code has a condition of “Recovered” using the Yamaha diagnostic tool, and then delete the fault code. |
|
|||
Fault code No. 33
|
Fault code No. |
33 |
|||||
|---|---|---|---|---|---|---|
|
Item |
Ignition coil: open or short circuit detected in the primary lead of the ignition coil. |
|||||
|
Fail-safe system |
Unable to start engine |
|||||
|
Unable to drive vehicle |
||||||
|
Diagnostic code No. |
30 |
|||||
|
Actuation |
Actuates the ignition coil five times at one-second intervals. “WARNING” on the Yamaha diagnostic tool blinks five times when the ignition coil is actuated. |
|||||
|
Procedure |
Check that a spark is generated five times.
|
|||||
|
Item |
Probable cause of malfunction and check |
Maintenance job |
Confirmation of service completion |
|||
|
1 |
Connection of ignition coil coupler. Check the locking condition of the coupler. Disconnect the coupler, and check the pins (for bent or broken terminals and locking condition of the pins). |
Improperly connected → Connect the coupler securely, or repair/replace the wire harness. |
Start the engine and let it idle for approximately 5 seconds. Check the condition of the fault code using the malfunction mode of the Yamaha diagnostic tool. Condition is “Recovered”→ Go to item 7 and finish the service. Condition is “Detected”→ Go to item 2. |
|||
|
2 |
Connection of wire harness ECU coupler. Check the locking condition of the coupler. Disconnect the coupler, and check the pins (for bent or broken terminals and locking condition of the pins). |
Improperly connected → Connect the coupler securely, or repair/replace the wire harness. |
Start the engine and let it idle for approximately 5 seconds. Check the condition of the fault code using the malfunction mode of the Yamaha diagnostic tool. Condition is “Recovered”→ Go to item 7 and finish the service. Condition is “Detected”→ Go to item 3. |
|||
|
3 |
Wire harness continuity. |
Open or short circuit → Replace the wire harness. Between ignition coil coupler and ECU coupler. white–white Between ignition coil coupler and joint connector. red–red Between joint connector and ECU coupler. red–red |
Start the engine and let it idle for approximately 5 seconds. Check the condition of the fault code using the malfunction mode of the Yamaha diagnostic tool. Condition is “Recovered”→ Go to item 7 and finish the service. Condition is “Detected”→ Go to item 4. |
|||
|
4 |
Mounted condition of ignition coil. Check for looseness or pinching. Check the mounted condition for correctness. |
Improperly mounted sensor → Remount or replace the ignition coil. |
Start the engine and let it idle for approximately 5 seconds. Check the condition of the fault code using the malfunction mode of the Yamaha diagnostic tool. Condition is “Recovered”→ Go to item 7 and finish the service. Condition is “Detected”→ Go to item 5. |
|||
|
5 |
Defective ignition coil. (test the primary coils for continuity) |
Check the primary resistance of the ignition coil. Refer to CHECKING THE IGNITION COIL. |
Start the engine and let it idle for approximately 5 seconds. Check the condition of the fault code using the malfunction mode of the Yamaha diagnostic tool. Condition is “Recovered”→ Go to item 7 and finish the service. Condition is “Detected”→ Go to item 6. |
|||
|
6 |
Faulty ECU. |
Execute the diagnostic mode. (Code No. 30) No spark → Replace the ECU. |
Service is finished. |
|||
|
7 |
Delete the fault code. |
Confirm that the fault code has a condition of “Recovered” using the Yamaha diagnostic tool, and then delete the fault code. |
|
|||
Fault code No. 39
|
|
Fault code No. |
39 |
|||||
|---|---|---|---|---|---|---|
|
Item |
Injector: open or short circuit detected. |
|||||
|
Fail-safe system |
Unable to start engine |
|||||
|
Unable to drive vehicle |
||||||
|
Diagnostic code No. |
36 |
|||||
|
Actuation |
Actuates injector five times at one-second intervals. “WARNING” on the Yamaha diagnostic tool blinks five times when the injector is actuated. |
|||||
|
Procedure |
Check that injector is actuated five times by listening for the operating sound. |
|||||
|
Item |
Probable cause of malfunction and check |
Maintenance job |
Confirmation of service completion |
|||
|
1 |
Connection of injector coupler. Check the locking condition of the coupler. Disconnect the coupler, and check the pins (for bent or broken terminals and locking condition of the pins). |
Improperly connected → Connect the coupler securely, or repair/replace the wire harness. |
Start the engine and let it idle for approximately 5 seconds. Check the condition of the fault code using the malfunction mode of the Yamaha diagnostic tool. Condition is “Recovered”→ Go to item 6 and finish the service. Condition is “Detected”→ Go to item 2. |
|||
|
2 |
Defective injector. |
Check the injector. Refer to CHECKING THE INJECTOR. |
Start the engine and let it idle for approximately 5 seconds. Check the condition of the fault code using the malfunction mode of the Yamaha diagnostic tool. Condition is “Recovered”→ Go to item 6 and finish the service. Condition is “Detected”→ Go to item 3. |
|||
|
3 |
Connection of wire harness ECU coupler. Check the locking condition of the coupler. Disconnect the coupler, and check the pins (for bent or broken terminals and locking condition of the pins). |
Improperly connected → Connect the coupler securely, or repair/replace the wire harness. |
Start the engine and let it idle for approximately 5 seconds. Check the condition of the fault code using the malfunction mode of the Yamaha diagnostic tool. Condition is “Recovered”→ Go to item 6 and finish the service. Condition is “Detected”→ Go to item 4. |
|||
|
4 |
Wire harness continuity. |
Open or short circuit → Replace the wire harness. Between injector coupler and ECU coupler. red/black–red/black Between injector coupler and joint connector. red–red Between joint connector and starter relay. red/yellow–red/yellow Between starter relay and battery terminal. red–red |
Start the engine and let it idle for approximately 5 seconds. Check the condition of the fault code using the malfunction mode of the Yamaha diagnostic tool. Condition is “Recovered”→ Go to item 6 and finish the service. Condition is “Detected”→ Go to item 5. |
|||
|
5 |
Faulty ECU. |
Replace the ECU. |
Service is finished. |
|||
|
6 |
Delete the fault code. |
Confirm that the fault code has a condition of “Recovered” using the Yamaha diagnostic tool, and then delete the fault code. |
|
|||
Fault code No. 41
|
Fault code No. |
41 |
|||||
|---|---|---|---|---|---|---|
|
Item |
ECU: built-in lean angle sensor malfunction. |
|||||
|
Fail-safe system |
Able to start engine |
|||||
|
Able to drive vehicle |
||||||
|
Diagnostic code No. |
08 |
|||||
|
Diagnostic tool display |
Displays the lean angle sensor output voltage.
|
|||||
|
Procedure |
Remove the ECU, and incline it 45° or more. |
|||||
|
Item |
Probable cause of malfunction and check |
Maintenance job |
Confirmation of service completion |
|||
|
1 |
Faulty ECU. |
Replace the ECU. |
Service is finished. |
|||
Fault code No. 43
|
Fault code No. |
43 |
|||||
|---|---|---|---|---|---|---|
|
Item |
Fuel system voltage: incorrect voltage supplied to the CCU, and incorrect recognition voltage of the motorcycle. |
|||||
|
Fail-safe system |
Able to start engine |
|||||
|
Able to drive vehicle |
||||||
|
Diagnostic code No. |
09 |
|||||
|
Diagnostic tool display |
Fuel system voltage Approximately 12.0 (V) |
|||||
|
Procedure |
Disconnect the starter relay, and push the start switch. |
|||||
|
Item |
Probable cause of malfunction and check |
Maintenance job |
Confirmation of service completion |
|||
|
1 |
Wire harness continuity. |
Open or short circuit → Replace the wire harness. Between battery terminal and starter relay. red–red Between starter relay coupler and joint connector. red/yellow–red/yellow Between joint connector and ECU coupler. red–red Between ECU coupler and CCU coupler. brown–brown |
Press the engine stop switch for 1 second or more, and then press the start switch (no need to start the engine). Check the condition of the fault code using the malfunction mode of the Yamaha diagnostic tool. Condition is “Recovered”→ Go to item 4 and finish the service. Condition is “Detected”→ Go to item 2. |
|||
|
2 |
Malfunction in CCU. |
Replace the CCU. |
Press the engine stop switch for 1 second or more, and then press the start switch (no need to start the engine). Check the condition of the fault code using the malfunction mode of the Yamaha diagnostic tool. Condition is “Recovered”→ Go to item 4 and finish the service. Condition is “Detected”→ Go to item 3. |
|||
|
3 |
Malfunction in ECU. |
Replace the ECU. |
Service is finished. |
|||
|
4 |
Delete the fault code. |
Confirm that the fault code has a condition of “Recovered” using the Yamaha diagnostic tool, and then delete the fault code. |
|
|||
Fault code No. 44
|
|
Fault code No. |
44 |
|||||
|---|---|---|---|---|---|---|
|
Item |
EEPROM read error: an error is detected while reading or writing on EEPROM. |
|||||
|
Fail-safe system |
Able to start engine |
|||||
|
Able to drive vehicle |
||||||
|
Diagnostic code No. |
60 |
|||||
|
Diagnostic tool display |
Displays the location of the abnormal portion of the EEPROM data.
|
|||||
|
Procedure |
— |
|||||
|
Item |
Probable cause of malfunction and check |
Maintenance job |
Confirmation of service completion |
|||
|
1 |
Identification of malfunctioning point. |
Execute the diagnostic mode. (Code No. 60) 00: Go to item 5. 01: Go to item 2. 07: Go to item 3. 12: Go to item 4. |
||||
|
2 |
“01” is indicated in diagnostic mode. (Code No. 60) EEPROM read error for adjustment of CO concentration. |
Change the CO concentration, and rewrite in EEPROM. After this adjustment, push the engine stop switch, and then push the start switch. |
Start switch to ON (no need to start the engine), and then check the condition of the fault code using the malfunction mode of the Yamaha diagnostic tool. Condition is “Recovered”→ Go to item 6 and finish the service. Condition is “Detected”→ Repeat item 1. If the same number is indicated, go to item 5. |
|||
|
3 |
“07” is indicated in diagnostic mode. (Code No. 60) EEPROM read error for setting tool adjustment values for fuel injection amount or ignition timing. |
Erase the setting map in the diagnostic mode. (Code No. 65) |
Start switch to ON (no need to start the engine), and then check the condition of the fault code using the malfunction mode of the Yamaha diagnostic tool. Condition is “Recovered”→ Go to item 6 and finish the service. Condition is “Detected”→ Repeat item 1. If the same number is indicated, go to item 5. |
|||
|
4 |
“12” is indicated in diagnostic mode. (Code No. 60) EEPROM read error for throttle position when fully closed. |
Press the engine stop switch for 1 second or more, and then press the start switch (no need to start the engine). |
Start switch to ON (no need to start the engine), and then check the condition of the fault code using the malfunction mode of the Yamaha diagnostic tool. Condition is “Recovered”→ Go to item 6 and finish the service. Condition is “Detected”→ Repeat item 1. If the same number is indicated, go to item 5. |
|||
|
5 |
Faulty ECU. |
Replace the ECU. |
Service is finished. |
|||
|
6 |
Delete the fault code. |
Confirm that the fault code has a condition of “Recovered” using the Yamaha diagnostic tool, and then delete the fault code. |
|
|||
Fault code No. 46
|
Fault code No. |
46 |
|||||
|---|---|---|---|---|---|---|
|
Item |
Vehicle system power supply: normal voltage is not supplied to the ECU. |
|||||
|
Fail-safe system |
Able/Unable to start engine |
|||||
|
Able/Unable to drive vehicle |
||||||
|
Diagnostic code No. |
— |
|||||
|
Diagnostic tool display |
— |
|||||
|
Procedure |
— |
|||||
|
Item |
Probable cause of malfunction and check |
Maintenance job |
Confirmation of service completion |
|||
|
1 |
Connection of rectifier/regulator coupler. Check the locking condition of the coupler. Disconnect the coupler, and check the pins (bent or broken terminals and locking condition of the pins). |
Improperly connected → Connect the coupler securely, or repair/replace the wire harness. |
Start the engine and let it idle for approximately 5 seconds. Check the condition of the fault code using the malfunction mode of the Yamaha diagnostic tool. Condition is “Recovered”→ Go to item 6 and finish the service. Condition is “Detected”→ Go to item 2. |
|||
|
2 |
Connection of AC magneto coupler. Check the locking condition of the coupler. Disconnect the coupler, and check the pins (bent or broken terminals and locking condition of the pins). |
Improperly connected → Connect the coupler securely, or repair/replace the wire harness. |
Start the engine and let it idle for approximately 5 seconds. Check the condition of the fault code using the malfunction mode of the Yamaha diagnostic tool. Condition is “Recovered”→ Go to item 6 and finish the service. Condition is “Detected”→ Go to item 3. |
|||
|
3 |
Wire harness continuity. |
Open or short circuit → Replace the wire harness. Between rectifier/regulator coupler and starter relay coupler. red/white–red/white Between starter relay coupler and battery terminal. red–red Between rectifier/regulator coupler and engine ground. black–black Between rectifier/regulator coupler and AC magneto coupler. white–white |
Start the engine and let it idle for approximately 5 seconds. Check the condition of the fault code using the malfunction mode of the Yamaha diagnostic tool. Condition is “Recovered”→ Go to item 6 and finish the service. Condition is “Detected”→ Go to item 4. |
|||
|
4 |
Defective AC magneto. |
Check the AC magneto. Refer to CHECKING THE STATOR COIL. |
Start the engine and let it idle for approximately 5 seconds. Check the condition of the fault code using the malfunction mode of the Yamaha diagnostic tool. Condition is “Recovered”→ Go to item 6 and finish the service. Condition is “Detected”→ Go to item 5. |
|||
|
5 |
Faulty ECU. |
Replace the ECU. |
Service is finished. |
|||
|
6 |
Delete the fault code. |
Confirm that the fault code has a condition of “Recovered” using the Yamaha diagnostic tool, and then delete the fault code. |
|
|||
Fault code No. 50
|
|
Fault code No. |
50 |
|||||
|---|---|---|---|---|---|---|
|
Item |
ECU: faulty ECU memory. |
|||||
|
Fail-safe system |
Unable to start engine |
|||||
|
Unable to drive vehicle |
||||||
|
Diagnostic code No. |
— |
|||||
|
Diagnostic tool display |
— |
|||||
|
Procedure |
— |
|||||
|
Item |
Probable cause of malfunction and check |
Maintenance job |
Confirmation of service completion |
|||
|
1 |
Faulty ECU. |
Replace the ECU. |
Start switch to ON (no need to start the engine), and then check the condition of the fault code using the malfunction mode of the Yamaha diagnostic tool. Check that the fault code number is not displayed. |
|||
Fault code No. 70
|
|
Fault code No. |
70 |
|||||
|---|---|---|---|---|---|---|
|
Item |
Engine forcibly stops when the vehicle is left idling for a long period of time. |
|||||
|
Fail-safe system |
— |
|||||
|
Unable to drive vehicle |
||||||
|
Diagnostic code No. |
— |
|||||
|
Diagnostic tool display |
— |
|||||
|
Procedure |
— |
|||||
|
Item |
Probable cause of malfunction and check |
Maintenance job |
Confirmation of service completion |
|||
|
1 |
Delete the fault code. |
Confirm that the fault code has a condition of “Recovered” using the Yamaha diagnostic tool, and then delete the fault code. |
|
|||