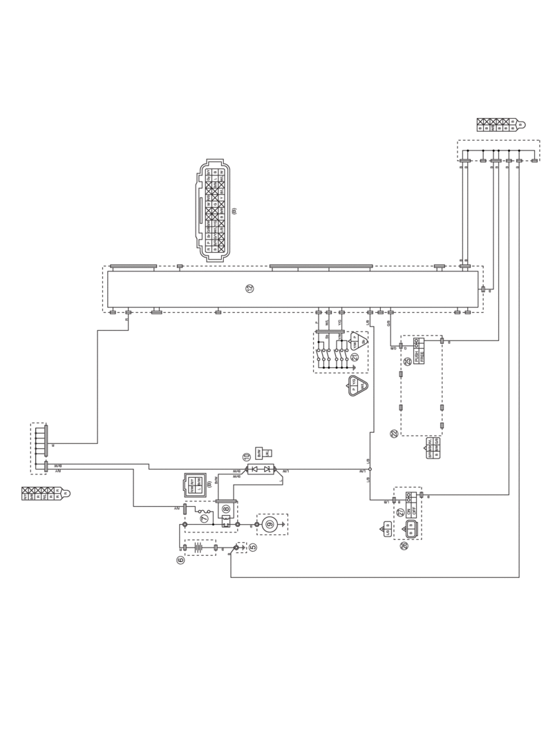
ELECTRIC STARTING SYSTEM

CIRCUIT DIAGRAM

5.

Frame ground

6.

Battery

7.

Fuse

8.

Starter relay

9.

Starter motor

10.

Diode 1

12.

ECU (Engine Control Unit)

21.

Gear position switch

22.

Handlebar switch (left)

25.

Engine stop switch

26.

Handlebar switch (right)

27.

Start switch

TROUBLESHOOTING

The starter motor fails to turn.

Before troubleshooting, remove the following part(s):

  • Seat

  • Side cover (left/right)

  • Shroud (left/right)

  • Fuel tank

  • Air filter case cover

  1. Check the fuse.

    Refer to CHECKING THE FUSES.

NG→

Replace the fuse(s).

OK↓
  1. Check the battery.

    Refer to CHECKING AND CHARGING THE BATTERY.

NG→
  • Clean the battery terminals.

  • Recharge or replace the battery.

OK↓
  1. Check the starter motor operation.

    Refer to CHECKING THE STARTER MOTOR OPERATION.

OK→

Starter motor is OK. Perform the electric starting system troubleshooting, starting with step (6).

NG↓
  1. Check the starter motor.

    Refer to CHECKING THE STARTER MOTOR.

NG→

Repair or replace the starter motor.

OK↓
  1. Check the diode 1.

    Refer to CHECKING THE RELAY UNIT (DIODE).

NG→

Replace the diode 1.

OK↓
  1. Check the starter relay.

    Refer to CHECKING THE RELAYS.

NG→

Replace the starter relay.

OK↓
  1. Check the engine stop switch.

    Refer to CHECKING THE SWITCHES.

NG→

Replace the handlebar switch (left).

OK↓
  1. Check the start switch.

    Refer to CHECKING THE SWITCHES.

NG→

Replace the start switch.

OK↓
  1. Check the entire starting system’s wiring.

    Refer to CIRCUIT DIAGRAM.

NG→

Properly connect or repair the starting system’s wiring.

OK↓

Replace the ECU.